產品名稱:
SAE 法蘭堵頭
產品系列搜索
請選擇您想要尋找的相關產品系列
產品描述

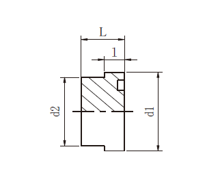
| 訂貨號 | 法蘭型號 | 尺 寸 | 壓力等級 MPa | ||||
| d1 | d2 | L | l | ||||
| 3000PSI | |||||||
| DFL-08 | 1/2" | 30.2 | 24 | 16 | 6.8 | 34.5 | |
| DFL-12 | 3/4" | 38.1 | 31.5 | 17 | 6.8 | ||
| DFL-16 | 1" | 44.4 | 38 | 17 | 8 | ||
| DFL-20 | 1.1/4" | 50.8 | 43 | 17 | 8 | 27.6 | |
| DFL-24 | 1.1/2" | 60.3 | 50 | 19 | 8 | 20.7 | |
| DFL-32 | 2" | 71.4 | 62 | 19 | 9.6 | ||
| DFL-40 | 2.1/2" | 84.1 | 74 | 40 | 9.6 | 17.2 | |
| DFL-48 | 3" | 101.6 | 90 | 45 | 9.6 | 13.8 | |
| DFL-56 | 3.1/2" | 114.3 | 102 | 30 | 11.3 | 3.4 | |
| DFL-64 | 4" | 127 | 114 | 36 | 11.3 | ||
| DFL-80 | 5" | 152.4 | 140 | 45 | 11.3 | ||
| 6000PSI | |||||||
| DFH-08 | 1/2" | 31.8 | 24 | 18 | 7.8 | 42 | |
| DFH-12 | 3/4" | 41.3 | 32 | 18 | 8.8 | ||
| DFH-16 | 1" | 47.6 | 38 | 18 | 9.5 | ||
| DFH-20 | 1.1/4" | 54 | 44 | 18 | 10.3 | ||
| DFH-24 | 1.1/2" | 63.5 | 51 | 20 | 12.6 | ||
| DFH-32 | 2" | 79.4 | 67 | 30 | 12.6 | ||